生物安全实验室的压力梯度可以用相对负压差表示,也可以用绝对(对大气)负压差表示。
从空气洁净技术角度,采用相对压差表示,并进行风量和压差计算,比较方便,也是常用的方法。如果在用相对压差表示时还要知道绝对压差,也可以通过换算来实现。本文就是对压差换算提出一种方法。
1、换算步骤如下:
①选择自压力最高或最低的房间逐间相通地直至室外的路线如图1所示:以第5间为准,则5、4、3、2、1或以第6间为准,则6、7。

②以每间对下一间的相对压差为准,记为±ΔPn,最内间为n,以后逐次减1。
③按以下公式和求某间的绝对压差ΔPo,n
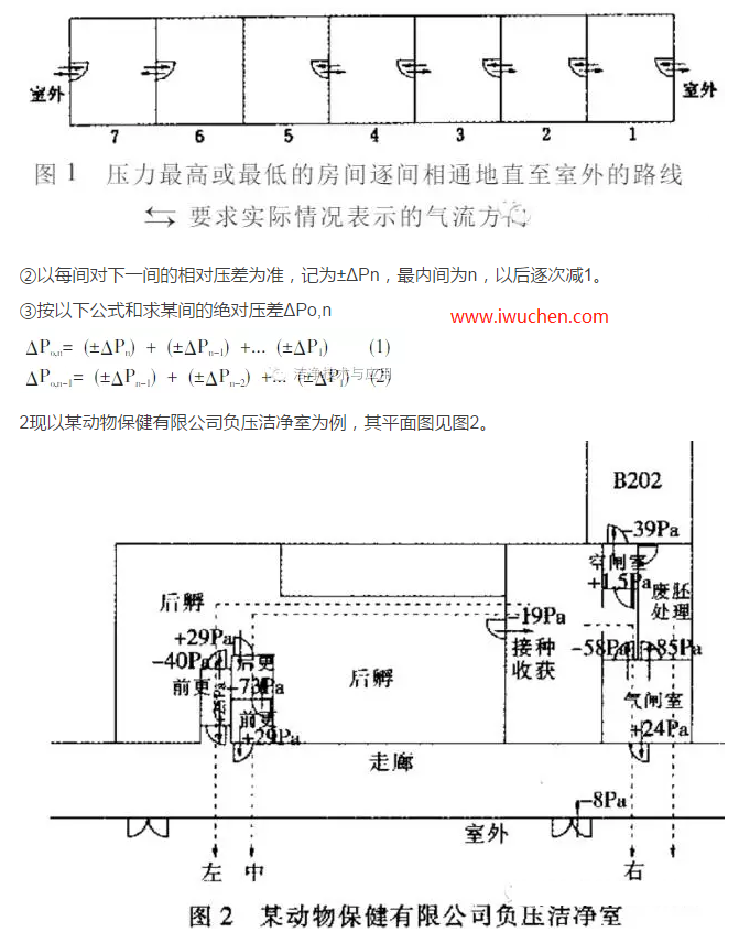
2现以某动物保健有限公司负压洁净室为例,其平面图见图2。
其中接种室绝对压力-42Pa,为江苏省计量测试技术研究所测定,相对压差为国家建工质检中心测定。
现按式(1)、(2)进行计算。
首先可以有三条计算路线(以→表示)供选择,现在对此三条路线都进行计算。
①左侧路线,如图3所示。
(→表示气流方向,如“-19Pa”表示接种室对其邻室后孵为-19Pa,气流从后孵至接种)

可见任选左右中三条路线的一条,得出的接种收获室的绝对压差是一个数值,而且和实测值相同。
同样可得出废胚处理室的绝对压差:

此外,以后孵为例,其对后更的相对压差为+29Pa,但其对大气绝对压差仍有-23Pa。
3结论
某房间是否对大气保持绝对负压差,完全不需直接测量室内外压差,而通过相对压差的计算可以得出通向室外路线上的任何一间的绝对负压差。在此路线上的任何一间对邻室即使有相对正压,也不代表它对大气就是绝对正压,完全可能仍是绝对负压,这应通过计算确定。
原文来源: //m.capeel.com/ 微信公众号:rfilter