技术中心
行业解决方案
随机文章选读
联系我们
  • 联系人:董先生
  • 联系电话:137-10902965

负压病房净化空调系统的工程实践

文章来源://m.capeel.com/  2020年02月10日  点击数:7222

负压病房净化空调系统的工程实践

摘 要  在负压隔离病房的设计中,强调静态隔离和动态隔离的重要性,静态隔离主要是设置缓冲室和压差的建立,动态隔离主要是通过送排风系统的高效处理,来达到安全隔离的目的。隔离病房的压差怎么维持,遇到问题后紧急预案都要在设计之初就要考虑好。

关键词  负压隔离病房  缓冲间  压差  净化空调

一、背景

2002年,SARS疫情在我国爆发,给我们的国家造成了巨大的经济损失,人们对于烈性呼吸道传染疾病的危害记忆犹新。SARS疫情结束之后,上海市在金山区漕廊公路建设了上海市公共卫生中心,专门接收传染病人,为上海市的公共安全保驾护航。

公共卫生中心已经投入使用12年了,在此期间,传染性疾病的防控形势也发生了很大的变化。2009年,全球爆发了甲型H1N9流感,2014年西非发生埃博拉疫情,2015年的中东呼吸综合症,使我们看到新的烈性传染病不断出现,而旧传染性疾病又死灰复燃。十几年前建设的隔离病房已经跟不上当前传染病控制的形势,亟待改造。


二、 建筑平面布置

拟改造的负压隔离病房在A1楼,整体三层,每层一个病区,全部改建成负压隔离病房,我们以其中的一层为例,详细论述负压隔离病房的设计。

整个病区分成以下几个区域:清洁区,主要是医护人员进入隔离病区前的辅助区域,包括医护人员值班、休息、示教、更衣等;半清洁区,主要是医护人员进入隔离病区后的辅助区域,包括半清洁走廊、治疗、办公、护士站、库房等;污染区,主要是病人所在的区域,包括隔离病房、缓冲、病人卫生间等,是隔离病区重点控制的部分;半污染区,主要是隔离病人进入病区前的辅助区域,主要包括半污染走廊等。

在平面设计之初,考虑在隔离病房与前后走廊之间全部设置缓冲间;但由于病房面积不够,设置后缓冲之后病人进出很不方便,所以将后缓冲间取消。根据专家的建议,我们将后面的半污染走廊上增设了三个门,将半污染走廊分隔成四块,在一定程度上也起到了缓冲的作用。

隔离病区平面图

隔离病区平面如图1所示。


三、隔离病房内的基本布局

整个病区设置13间隔离病房,每间病房内设置2个床位,病房内设置独立的卫生间,并设置了前缓冲间。实际使用时,每两间隔离病房为一个单元,共用一套排风系统。


四、  静态隔离1—缓冲的重要性及布置

利用平面规划时设置的抗渗性屏障或者无空气交换的密闭空间,对可能引起交叉污染的空气流动进行物理阻隔,实现屏障隔离。

屏障隔离最重要的手段就是缓冲区的设置。清洁区、半清洁区、污染区、半污染区之间全部设置缓冲间,缓冲间的面积≥3┫。实践证明,不同区域之间增设缓冲间还是最有效的屏蔽手段。


五、静态隔离2—压差

压差是实现静态隔离的另一重要手段。各个区域之间的压差不宜过大,一般设置在5~10Pa之间。具体的各区域压差(相对外界而言)如下:清洁区(0Pa)→缓冲间(-5Pa)→半清洁区(-5Pa)→缓冲间(-10Pa)→污染区隔离病房(-20Pa)→半污染区(-10Pa)。其中病房内的卫生间的压差控制在-25Pa左右。

压差是隔离病房的首要控制指标,必须在有压差控制要求的区域设置压差显示。在设计中,除了设置指针式的微压差计外,还安装压差传感器,将信号接入自控系统,对房间压差进行多重监控。


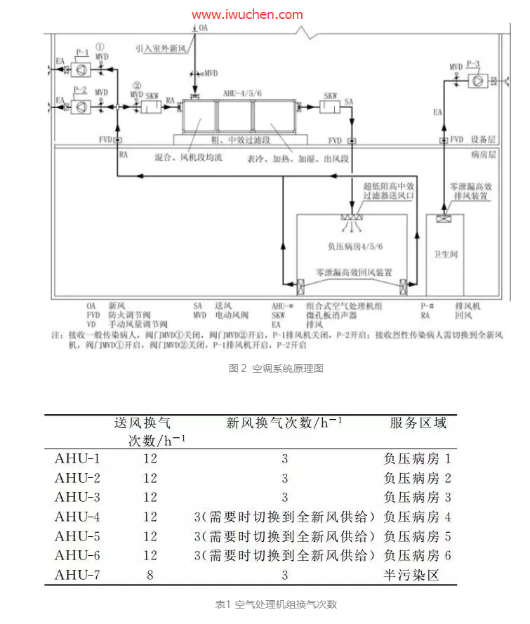
六、 动态隔离—负压隔离病房的空调系统

动态隔离就是利用流动的洁净气流保护在病床边上工作的医护人员,用缓冲室防止门开启时污染的外泄,用零泄漏负压高效排风装置保证排出和循环空气无菌,从而达到安全隔离的目的。

整个隔离病区除清洁区外,全部采用全新风系统。使用独立的热泵机组来作为冷热源,制冷时热泵机组的进出水温度为5℃进水、10℃出水,新风机组采用两段表冷段,分开布置共8排管。这样就保证了新风系统的热湿处理达到隔离病房的使用要求。

负压病房净化空调系统的工程实践

图2 负压隔离病房内的风口布置及压差

负压隔离病房的空调系统:送风系统采用全新风空调机组。排风系统则每两间病房一套。负压隔离病房内的风口布置及压差如下图所示(以一个单元两间病房为例)清洁区的空调系统采用常规的风机盘管+新风方式。

半清洁区、半污染区包括所有的缓冲间,全部采用高效送风过滤系统,通过高效送风单元送入房间内,而排风系统则直接排出室外;

污染区的空调系统则相反,送风系统采用初中亚高三级过滤,过滤后直接通过散流送风口送入房间内,排风系统则采用零泄漏负压高效排风装置,过滤后的通过高空排放。

从几个区域送排风过滤方式的不同,我们可以看出整个控制的重点。辅助区域的送风是经过高效过滤的,设计的重点是保证医护人员的安全,保证送入其中的风为洁净风,而排风则不需要特别处理;污染区域则完全不同,它的设计重点是保证居住其中的传染病人的传染源不会扩散,所以重点在排风系统上,排风进过高效过滤处理后才可以排放,相对的送风系统就没有必要安装高效过滤,只需要在机组内安装高中效或亚高效过滤器就可以了。

负压隔离病房的空调系统布置如下图所示(以一个单元两间病房为例)

图3  负压隔离病房的空调系统布置

负压隔离病房的空调系统布置

七、隔离病房空调系统的自控

整个空调系统送风采用定风量系统,两间隔离病房的送风支管上安装与压力无关型机械式定风量风阀。排风系统则采用变风量控制,排风支管道上安装模拟量电动调节风阀,排风机组也采用变频控制,通过控制排风系统来达到控制房间压差的目的。


八、压力检测手段

每两间隔离病房安装一套控制面板,面板设置在缓冲间内,面板上显示病房和缓冲、病房和卫生间之间的压差,并设置声光报警系统。

缓冲间、病房、卫生间之间全部安装压差传感器,并将压差的数据实时的显示在病房缓冲间内的控制面板上。为保证压差的准确度,还需要在墙面上安装指针式压差计,来对房间内的压差进行校准。双重的保证,来精确的监测房间内的具体的压差是否满足负压隔离病房的相关要求。


九、应急预案—隔离病房出现问题了应该怎么办?

不同与普通正压净化区,出现问题后可以电话联系维护单位来维修,负压隔离病房如出现压差紊乱,则必须立即采取针对性的措施。简单有效的应对措施在设计阶段就必须考虑好。

一旦压差超出控制范围,声光报警之后,需要操作人员在面板上做后续的应急操作,具体应急操作如下:调节控制面板上排风阀门的开度控制,保证房间内的压差稳定;调节控制面板上的排风风机的频率,保证房间内的压差稳定。


十、需要注意的事项

(1)结构屏障:它被认为是最原始但也是最为有效的屏障方式。整个负压病房的维护结构,采用模块化加强型墙体,工厂化制作,能够适应长期的负压环境和消毒的要求。

围护结构采用1.5mm厚的优质电解钢板,利用焊接或垫片密封螺栓连接的方式,将负压病房制作成一个封闭的箱体,四周上下表面坚实。房间内所需要的风、水、电、气等管道,通过专用的气密封预留口进入封闭箱体内。在箱体安装完成后要进行严格的气密封检查并且定期校验,确保不漏。

(2)过滤屏障:负压病房及其卫生间排风安装可安全拆卸的零泄漏排风装置。采用高效空气过滤器对负压隔离病房中带有颗粒状污染物的排风进行过滤处理。排风过滤器做成单元式(单独灭菌的结构),气密结构,设有检漏用的测孔,可用塑料做壳体,留有喷甲醛气体的孔,在更换之前先进行喷药消毒。

(3)在电气、消防、给排水、弱电等设计安装过程中,严格的遵循负压隔离病房建设配置基本要求。控制的重点在于把好进出关口:各种管线的进入隔离病房的时候需要严加密封,保证房间的气密性;管线(如排水管上的通气管)在出隔离病房的时候,必须经过高效过滤器过滤后才能排放。


十一、结束语

在负压隔离病房的建设中,只有抱着对社会负责、对环境负责、对医院负责的态度,严格遵守对科学负责的“SARS规则”:即具有安全意识(Safety)、进行严格管理(Administration)、肩负社会责任(Responsibility)和按照科学规律(Science)去进行负压隔离病房的设计和建设,努力使负压隔离病房的设计建设做到标准化、安全性和实用性,为我国的公共卫生安全保驾护航。


原文来源://m.capeel.com/

更多
相关文章:
Tags:

上一条:负压隔离病房(传染病隔离房)的隔离通风分析与设计下一条:负压病房到底要不要建?没有负压病房怎么办?
首页 | 关于我们 | 解决方案 | 工程案例 | 客户中心 | 1946浼熷痉bet | 1946浼熷痉 | 1946浼熷痉澶囩敤缃戝潃
深圳、佛山、东莞、中山、江门、惠州、广州净化工程公司|无尘车间|洁净室|无尘室|净化车间|净化厂房|洁净厂房|洁净车间|洁净棚|GMP车间|GMP厂房等空调洁净工程施工及服务
拓展阅读:10万级净化车间标准|实验动物房|中央厨房|洁净室换气次数|洁净手术室规范|GMP洁净度等级|食品生产卫生规范|洁净厂房施工要点|无尘车间着装规范
Copyright © 2012-2018
Baidu
map